磷渣粉磨技术要求及立磨磷渣粉工艺流程

立磨磷渣粉
磷渣的主要成分是氧化钙和二氧化硅,具有很好的活性,广泛用于建材行业。近年来、磷渣微粉在商品混泥土中也得到广泛的使用。市场前景较好,有良好的社会效益和经济效益。立磨磷渣粉是目前应用广泛的磷渣粉磨工艺,系统投资和运行维护费用较低,系统可靠性高,系统的粉磨电耗低,而粉磨产品的颗粒形状优于辊压机终粉磨系统生产的产品,因此在相同的比表面积下,其产品性能较好。作为磷渣立磨厂家,今天桂林鸿程为您介绍一下磷渣粉磨技术要求及立磨磷渣粉工艺流程。
有一种磷渣复合微细粉体掺加料及其生产工艺,其配方是:磷渣9 3. 8 5-9 7.8 0%,三乙醇胺0.0 2-0. 1 5%,石膏2-6 %;比表面积400~420m'/Kg。流程:将磷渣进行一次粉磨时加入石膏,经分选,在二次粉磨时加入三乙醇胺。其中,磷渣粉磨技术要求如下图:

立磨最初是用来粉磨煤粉,其规格也较小, 20世纪70年代后期开始应用于粉磨水泥生料,规格也越来越大,20世纪80年代中期以来,随着立磨的不断改进和新型耐磨材料的研究发展,立磨粉磨水泥熟料取得了成功,与其它粉磨系统相比,立磨磷渣粉工艺具有集烘干、粉磨、选粉于一体,系统简单,单机产量高的优点,对于粉磨高水分的物料可以不单设烘干设备,因而系统投资和运行维护费用较低.系统可靠性高,系统的粉磨电耗低,粉磨420m/kg比表面积矿渣粉的单位电耗约为45kWh/t左右。

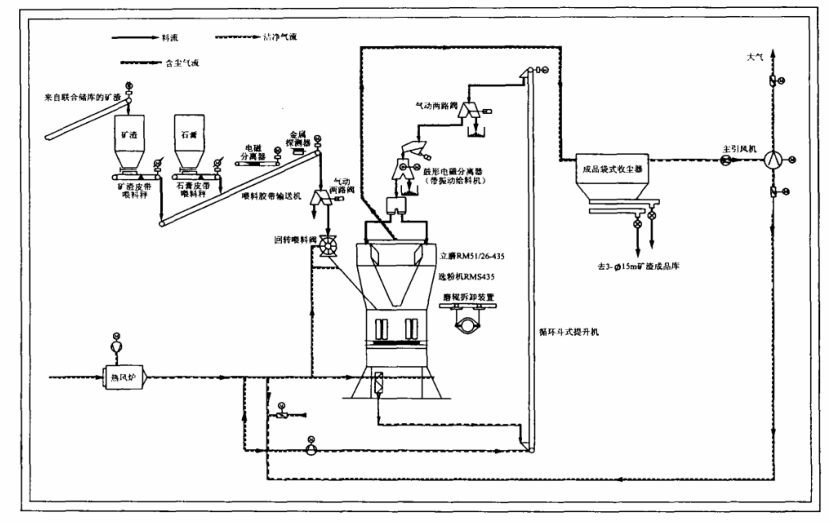
立磨磷渣粉工艺流程
立磨磷渣粉工艺流程:矿渣由火车或汽车运输进厂卸至联合储库内储存;然后经抓斗、胶带输送机送入配料站的矿渣仓内储存。矿渣仓底设有喂料秤。仓内的矿渣由皮带喂料秤定量卸出,经胶带输送机送到立磨系统。为防止金属块进入磨内,入磨胶带输送机上设有电磁除铁器和金属探测器。由原料系统送来的矿渣经气动翻板阀、锁风喂料阀喂入立磨内烘干并粉磨。喂入磨机的物料被磨辊在旋转的磨盘上所挤压,在一定负荷下被粉碎,粉磨后的物料被热风即上升承载空气送入位于立磨上部的高效选粉机中分选成粗粉和细粉;细粉即成品由袋式收尘器收下,经斜槽、提升机等输送设备送入成品系统;粗粉落在磨盘上再次粉磨,为了节能,一部分粗粉排出立磨经除铁器、提升机、输送机等设备送回立磨内再粉磨。废气经高效袋式收尘器除尘后由排风机经烟囱排入大气,烘干热源由燃气热风炉提供。合格的立磨磷渣粉经提升机、输送机送入3座φ15X40m和1座φ8X25m矿渣粉库内储存。矿渣粉库内设有开式充气斜槽,充气后,立磨磷渣粉可以通过库底卸料设备、汽车散装机送入散装车中运输出厂。
立磨磷渣粉,生产工艺成熟,产品质量稳定,符合磷渣粉磨技术要求,生产环节节能降耗。立磨磷渣粉掺加料分散性极好,能改善混凝土粉体颗粒表面的性能,产生流化效应和增强效应,即使砼水灰比小至0.2 6,坍落度仍能达到22cm以上,能同时达到高强、高流态和良好的流变性能,混泥土的后期强度高、抗裂和耐久性能好等,市场反应良好。如果您有立磨磷渣粉项目需求,欢迎给我们来电了解设备详情,联系电话:18878317066 蒋工。