阳极泥磨粉机在阳极生产工艺流程中的应用

阳极泥磨粉机
阳极泥磨粉生产工序是阳极炭素生产的一道关键工序,其生产的核心设备为阳极泥磨粉机。目前国内阳极炭素生产系统采用的阳极泥磨粉机主要有球磨机和雷蒙磨两种,随着炭素工艺的发展,对于阳极泥磨粉细度的要求越来越高,部分厂家要求粉磨到10微米以下,传统阳极泥磨粉机就难以满足生产需求。作为专业的阳极泥磨粉机生产厂家,桂林鸿程顺应市场需求,推出了环辊磨粉机及超细立磨两种超细阳极泥磨粉机,可粉磨3-45微米细度阳极泥,以满足阳极炭素精细化的发展需求。如果想要了解设备详情,欢迎给我们来电,联系电话:18878317066 蒋工。今天就为大家介绍一下阳极泥磨粉机在阳极生产工艺流程中的应用。

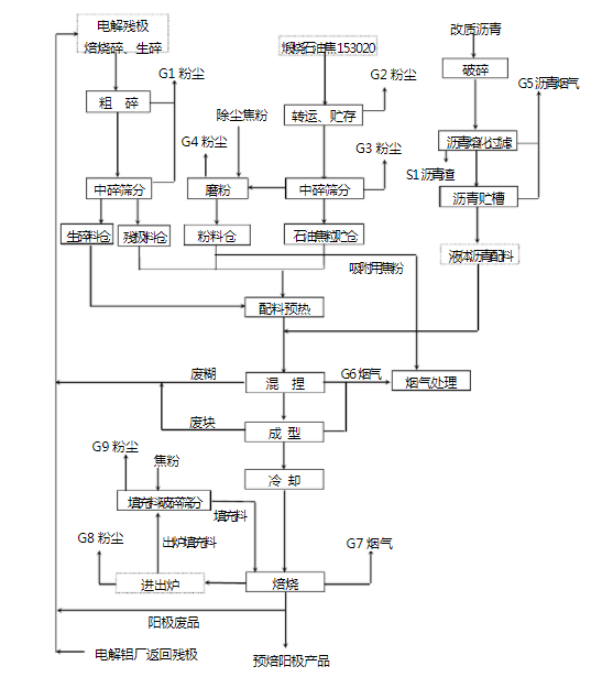
阳极生产工艺流程
电解铝用预焙阳极生产采用煅烧石油焦、沥青和返回料(电解铝厂返回的电解残极、焙烧碎料、生碎料)为原料。原料经破碎、筛分、配料,生产出生阳极,再经焙烧得到预焙阳极产品。其生产工艺可简述为:(1)原料贮运;(2)返回料处理;(3)液体沥青制备;(4)生阳极制造;(5)阳极焙烧五个工序。其中阳极泥磨粉机在阳极生产工艺流程中的应用主要在生阳极制造步骤。
生阳极制造包括中碎筛分、磨粉、配料、混捏和成型冷却等生产工序。为保证阳极产品的致密性,生阳极制造时需要加入一定比例的粉料(约45%左右)填充粒料之间的间隙。粉料主要来源为收尘系统收集的焦粒粉尘、石油焦中碎筛分出的部分细碎粒(6~0mm)。来料由阳极泥磨粉机粉碎成粉料,其工艺流程为:由电磁振动给料机定量喂入阳极泥磨粉机内,从磨粉机出来的含尘气体经风选器分选后,粗粒子料被分离后返回磨粉机再磨,合格细粉经旋风收料器收集后送入粉料配料仓,循环风经通风机进入磨粉机用于循环生产。磨粉过程中产生的多余风经净化处理后排入大气。粉料除用于配料之外,部分粉料用作混捏、成型过程沥青烟气的吸附剂,用于沥青烟气的吸附处理,吸附沥青烟气后直接进入混捏工段。